hey guys,
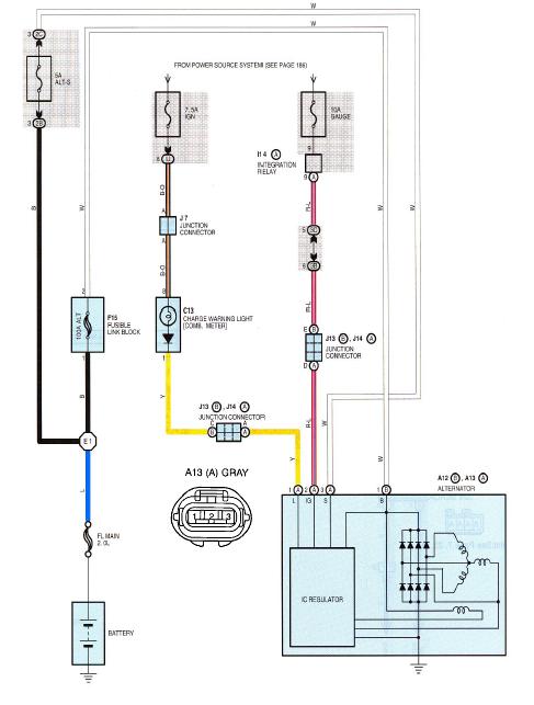
The socket to the alternator on my car had disintegrated and would like to ask to help if any of you 4axx engine owners take a peek at your engine and tell me the position of these wires from top to bottom. It's a 4AFE engine.
A couple of questions incl above:
1. Order of wire from top to bottom -- I think it's yellow on top, then black/red, and lastly white. Can anyone help me confirm this? I already burnt the fuse and don't want to short circuit anything else.
2. Is there any relay connected to the alternator? I heard "click-click" sound from the fuse box when the wires touched -- I think this is why the fuse got burnt. Could not fund any relay indicating alternator but there's a fuse with "ALT 100A" which I'm guessing is "Alternator 100amp".
Appreciate your help. Thanks!
The socket to the alternator on my car had disintegrated and would like to ask to help if any of you 4axx engine owners take a peek at your engine and tell me the position of these wires from top to bottom. It's a 4AFE engine.
A couple of questions incl above:
1. Order of wire from top to bottom -- I think it's yellow on top, then black/red, and lastly white. Can anyone help me confirm this? I already burnt the fuse and don't want to short circuit anything else.
2. Is there any relay connected to the alternator? I heard "click-click" sound from the fuse box when the wires touched -- I think this is why the fuse got burnt. Could not fund any relay indicating alternator but there's a fuse with "ALT 100A" which I'm guessing is "Alternator 100amp".
Appreciate your help. Thanks!
Last edited: