bus_3rd; ooo..ok..if i cant solve that wiring prob..maybe ur fren can help it.. so where ur fren located at kelantan? :biggrin:[/QUOTE said:Waahaha... got to toll your car to KL mcm ni...![]()
bus_3rd; ooo..ok..if i cant solve that wiring prob..maybe ur fren can help it.. so where ur fren located at kelantan? :biggrin:[/QUOTE said:Waahaha... got to toll your car to KL mcm ni...![]()



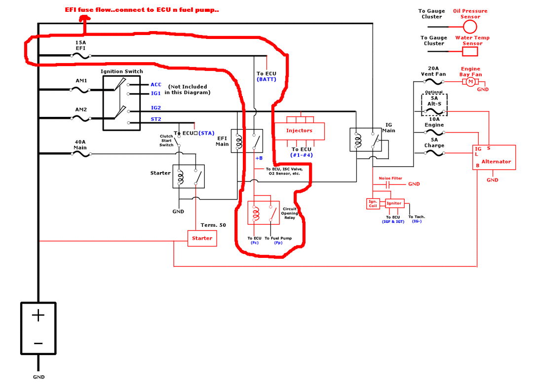
just curious...how the system working?fuel pump KO..then the fius on the spot blown..
is that any wire in the fuel pump?
bus_3rd - thanks for updating us...
Interesting...guys...any idea why ?
Does Toyota came with safety futures like Volvo ? fuel pump kong...ECU give signal tu blow the fuse ?
like my old volvo...no meter cluster installed, the alternator will not charge, for safety reason...



The battery supply power to ECU, FP, Injectors, VVT solenoid etc via EFI fuse. So if one of those item short circuited and drawn too much current, it will blow the EFI fuse.
If fuse blown is happening, we need to look into the problem immediately. NEVER replace the fuse before you solved the problem. I came across one fello replaced the fuse with a higher rating type (30A) without solving the problem. You know what is the result after that... he burnt his wiring with 30A of current
---------- Post added at 02:56 PM ---------- 6 hour anti-bump limit - Previous post was at 02:53 PM ----------
Good finding bus_3rd, you can open a wiring shop at Kelantan le![]()
kenot openla wiring shop..just nubies here in 4age haha 
with ron95 rm75=550-600km



i work at trd engine plant ma....demm..---> from facebook...so powerful la u...

